Понадобилось мне выточить 24 ножки для шкафов. Для этих целей решил сделать копировальное устройство. Очень понравилась конструкция, которая реализована на токарном станке Кратон WML-1-04. Поскольку у меня Корвет-36, то пришлось делать приспособление на суппорте, который вынесен за пределы станины. Очень понравились подробные описания создания и использования копира на каналах Владимира Жиленко и Voxa54. Спасибо им за такую подачу материала!!!
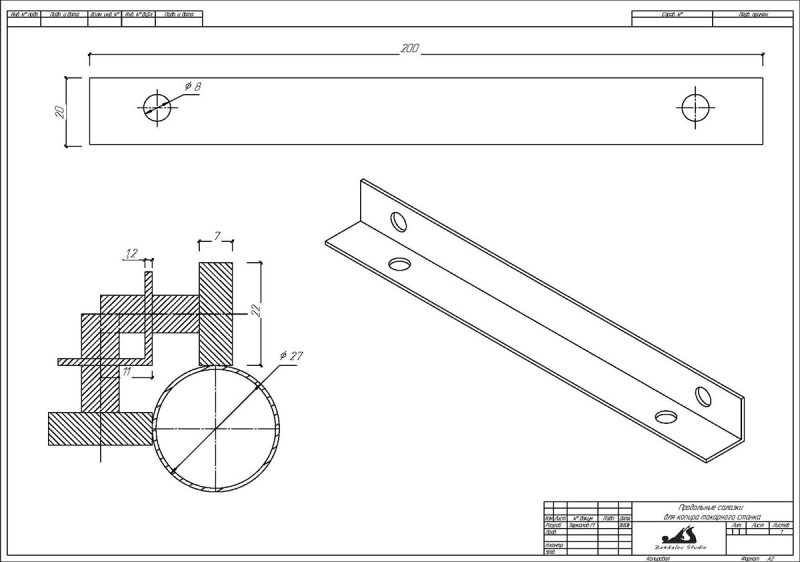
Моя версия копира имеет фанерное исполнение. У фанеры отличные показатели жесткости и приемлемая цена. Самая ответственная часть — это салазки, которые должны обеспечивать плавность хода по двум осям. С нее и начал работу. Использовал принцип работы на подшипниках. Труба 27 мм. Сверху салазок будет крепиться УШМ.
Использовал 2 уголка — внутри 2020 мм, внешний 2525 мм. Шпильки отвечают за регулировку и в то же время являются каркасом салазок. Может быть попробую закрыть боковые стенки фанерой чтобы пыль не забивала подшипники, но это пока рабочий прототип и если будут мелкие изменения, то покажу их на финише.



